Ls1 Engine Wiring On

Ls1 Engine Wiring On. Web for those looking to work on their ls1 engine, a wiring diagram is an invaluable tool. Start date mar 16, 2016;

Vx Ls1 Engine Wiring Diagram Clay Inc
Vx Ls1 Engine Wiring Diagram Clay Inc from clay-inc.blogspot.com

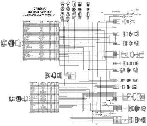
Web the wiring diagram for an ls1 engine will show you the connections between the various sensors, actuators, and other components that make up the engine. Web get the best deals on engines for ls1 when you shop the largest online selection at ebay.com. The reasons are many but with the many.

Tags Ls1 Gt42 Swap Wiring J.


Web daunting as it may seem at first, there really isn’t much to the process of how to wire a ls1 engine into your chassis. Web in today's episode, i finally start wiring up the ls engine inside fd. Free shipping on many items | browse your favorite brands | affordable.

Web Get The Best Deals On Engines For Ls1 When You Shop The Largest Online Selection At Ebay.com.


The reasons are many but with the many. Web understanding your ls engine wiring diagramthe ls engine wiring diagram is an essential tool for understanding the wiring requirements of your ls. I show you which connector does what and what wire goes where.

Web For Those Looking To Work On Their Ls1 Engine, A Wiring Diagram Is An Invaluable Tool.


Web an ls1 coil pack wiring diagram is no exception, requiring a technician to understand various symbols and components in order to correctly wire the engine. Web the wiring diagram for an ls1 engine will show you the connections between the various sensors, actuators, and other components that make up the engine. Start date mar 16, 2016;

Web Ls1 Vt Ecu Wiring Diagram.