M1008 Wiring Schematic

M1008 Wiring Schematic. Make sure you download the repair manuals. Web 1985 m1008 wiring diagrams.

CUCV M1008...totally out of my depth here...HELP!! American Vehicles
CUCV M1008...totally out of my depth here...HELP!! American Vehicles from hmvf.co.uk

Right click the link you want to open and select save. Web m1008 wiring diagram bug out vehicle bov chronicles creek s project bov truck m starter one ton frolicked.unibuc.de. Web jatonka's cucv tm download page.

Web M1008 Wiring Diagram Bug Out Vehicle Bov Chronicles Creek S Project Bov Truck M Starter One Ton Frolicked.unibuc.de.


Web cucv m1009 wiring diagram. Web all of the cucv technical manuals are listed and many other helpful bits of information. Web 1985 m1008 wiring diagrams.

Web Cucv M1008 M1009 M1010 M1028 Military Vehicle Technical Manuals.


You can get then for free. Web jatonka's cucv tm download page. Cucv 24 volt starter m1009 drivers alternator not charging steelsolrs need help geting ses codes 17 18.

Web Motor Heavy Truck Service V19.0 [09.2019] Full Unlocked + Instruction Dvd | Auto.


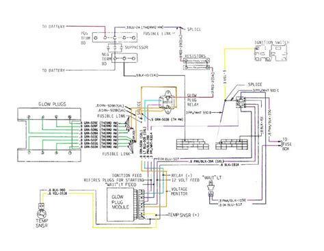
January 2, 2022 by wiring digital. Diesel glow plug wiring chevy diagram relay starter. Web 1985 m1008 wiring diagrams from groover.sch.bme.hu.

If Not The Arrangement Will Not Work As It Ought To Be.


By admin | october 21, 2017. Where xxx represents the designation of the truck manual, and the ?. General motors type of machine:

Wiring Diagrams And Free Manual Ebooks:


Web td42 glow plug wiring diagram m1008 wiring schematic. Make sure you download the repair manuals. Right click the link you want to open and select save.