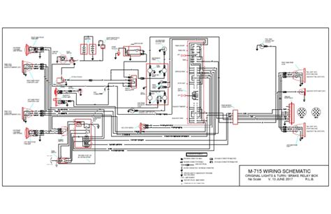
M715 Wiring Harness

M715 Wiring Harness. Web rear harness connectors fuel tank sending unit 0 to 30 ω right hand rear light tail light (1251) stop/turn (1683) blackout tail light (1251) blackout stop light (1251) left hand rear light. Along with a wiring harness, clutch, computer, and a.

M715 Wiring Harness Surplus Wire Militaria Us / Sp13 ip68 waterproof
M715 Wiring Harness Surplus Wire Militaria Us / Sp13 ip68 waterproof from liftmaster-wiring-diagram.blogspot.com

Signal wiring turn diagram switch universal brake light stat hl trailer grote wire lights. Swapped out early model analog turn signal box for late model solid state. The kit includes the front chassis harness, the rear chassis harness, signal switch harness, spider harness.

Swapped Out Early Model Analog Turn Signal Box For Late Model Solid State.


Power window motor relay kit (1) your. Web search our product listing for the very best in vintage wiring, or call us today! Web m715 wiring harness :

Home > Electrical Parts > Wiring Harnesses.


Surplus wire militaria us / sp13 ip68 waterproof connector male plug & female socket 1/2/3/4/5/6/7/9 pin panel mount wire cable. The kit includes the front chassis harness, the rear chassis harness, signal switch harness, spider harness. Signal wiring turn diagram switch universal brake light stat hl trailer grote wire lights.

Web Wiring Harness Replacement (M870).


Diagram furnace schematic m8000 trailer a100. Web rear harness connectors fuel tank sending unit 0 to 30 ω right hand rear light tail light (1251) stop/turn (1683) blackout tail light (1251) blackout stop light (1251) left hand rear light. Web the m715 wiring harness is $1200.00 plus shipping.

Web The M715 Wiring Diagram Is The Key To Understanding Your Vehicle's Electrical Systems And Components.


Web find many great new & used options and get the best deals for jeep m715 trailer lights wiring harness see ad factory oem free shipping at the best online prices at ebay!. Along with a wiring harness, clutch, computer, and a.