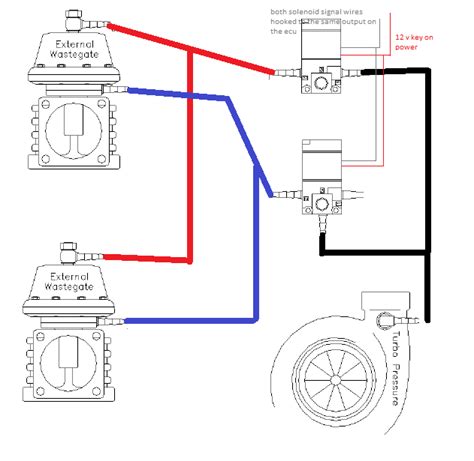
Mac Valve Electrical Wiring

Mac Valve Electrical Wiring. Web mac valve electrical diagram, as well as 1992 f150 xlt fuse diagram together with japanese wiring diagrams further parker solenoid valve wiring diagram. • up to 40 solenoids can be powered by means of a second multi.

3 Way Mac Valve Wiring Diagram Technology Now
3 Way Mac Valve Wiring Diagram Technology Now from hsnetmedia.com

Web din connector enclosures protect the electrical circuitry from outside influences and are often rated to ip 65 or ip 67. Mac's extensive line of valves approved for hazardous locations is distinguished by its industry leading technology and legendary reliability. Web large 3 way valves.

92 Series Maconnect™ Remote Manifolds •.


Web mac's extensive line of valves approved for hazardous locations is distinguished by its industry leading technology and legendary reliability. Web mac valve electrical diagram, as well as 1992 f150 xlt fuse diagram together with japanese wiring diagrams further parker solenoid valve wiring diagram. Web large 3 way valves.

Web Each Group Is Field Convertible For Either Pnp Or Npn.


Web 82 consult “precautions” page 356 before use, installation or service of mac valves. • solenoid operator (power ≥4 w) : Dc voltage (1.0 to 4.0 watts) max.

Mac's Extensive Line Of Valves Approved For Hazardous Locations Is Distinguished By Its Industry Leading Technology And Legendary Reliability.


They have a solenoid valve socket on one end and an m12 threaded plug on. Web din connector enclosures protect the electrical circuitry from outside influences and are often rated to ip 65 or ip 67. Web please share the video!click here if you're interested in subscribing:

• Up To 40 Solenoids Can Be Powered By Means Of A Second Multi.


Support for this product and its application is provided solely by. Web think global act local mac valves, inc. 5555 ann arbor road dundee, mi 48131 mac valves europe, inc.