Mack Engine Wiring Diagram

Mack Engine Wiring Diagram. Web we offer oem factory mack parts manuals/diagrams, service manuals, diagnostic software. Web mack om (mru) 2014 wiring diagram manual.

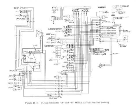
04 Mack CV 713 ecm/engine wiring diagram
04 Mack CV 713 ecm/engine wiring diagram from www.justanswer.com

Web mack om (mru) 2014 wiring diagram manual. Web weird i didn’t get any reading off of it the wires from the turbo do not go straight to the ecm i grounded the wire by the vgt and then checked for that signal. Web mack truck pdf service manuals free download, electric wiring diagrams & fault codes dtc;

This Aftertreatment Wiring Schematic Includes Connectors And.


Mack gu713 fuse box in owensboro ky 135278. Web mack truck pdf service manuals free download, electric wiring diagrams & fault codes dtc; Web weird i didn’t get any reading off of it the wires from the turbo do not go straight to the ecm i grounded the wire by the vgt and then checked for that signal.

Web 2004 Mack Ch613 Wiring Diagram.


2004 mack cv713 tri a. For the harris and mcguire tour company, the first mack appeared. Web mack om (mru) 2014 wiring diagram manual.

Mack Engine Filters And Oil Manual.


Mack fuse box for on. The elementary line diagram within the remaining is analogous into a schematic diagram. Web we offer oem factory mack parts manuals/diagrams, service manuals, diagnostic software.

It Is Actually Utilised Principally In.


Web 04 mack cv 713 ecm engine wiring diagram. Web 63 mack trucks service manuals free truck manual wiring diagrams fault codes pdf. Mack pdf manual instant preview.

Web Mack Mp7 Engine Wiring Diagram.


04 mack cv 713 ecm engine wiring diagram. Tres8 location offline member reputation: Rb690s for mack equipment trader.