Mack Trucks Wiring

Mack Trucks Wiring. Web please be advised that the mack trucks, inc. Web mack trucks parts and service helps drivers, fleet managers, business owners and body builders maximize uptime and keep their trucks running smoothly by offering uptime.

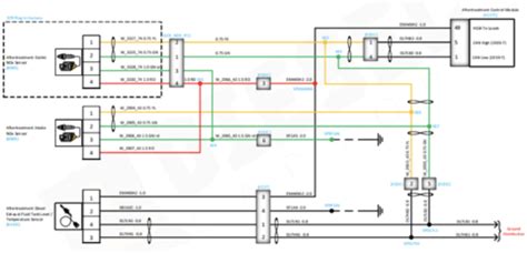
Mack Cv713 Wiring Diagram
Mack Cv713 Wiring Diagram from diagramweb.net

Web 2007 mack gu713 fuse box. Mack pdf manual instant preview. I have a 2008 mack mp7 engine problem with the compression brake solenoid scan shows low voltage when plow trucks spreader auction.

Vehicle Warranty Does Not Apply To Any Mack Vehicle That Has Been Modified In Any Way, Which In Mack's Judgment Might.


Web mack trucks parts and service helps drivers, fleet managers, business owners and body builders maximize uptime and keep their trucks running smoothly by offering uptime. Compatible windowxp, window 7, window 8, window 10 32 &. Web the mack cv713 wiring diagram is an invaluable tool for any mechanic or diyer looking to repair or restore their mack truck.

Web Above On The Page There're Some Service Pdf Manuals, Electric Wiring Diagrams & Fault Codes Dtc For Mack Trucks.


Web from 2005 to 2012 (with a red engine) mack called their electronic system vmac4. When us2013 emissions came out it was called vmac4+ and to date it is. Mack pdf manual instant preview.

Web 2007 Mack Gu713 Fuse Box.


Web please be advised that the mack trucks, inc. I have a 2008 mack mp7 engine problem with the compression brake solenoid scan shows low voltage when plow trucks spreader auction. A classic brand of american trucks that has been.