Marshall Ms 2 Circuit Diagram

Marshall Ms 2 Circuit Diagram. Marshall jcm800 bass schematics dr. 13 pictures about schematics, service manual, or circuit diagram for marshall schematic £ :.

Looking for a 1970"s Marshall Mark II schematic.. diyAudio
Looking for a 1970"s Marshall Mark II schematic.. diyAudio from www.diyaudio.com

Web this is thought rather boring so i asked him if i could build a small guitar amp into the box, and fortunatly he said yes. Web schematics, service manual, or circuit diagram for marshall schematic £. Ee 320l final laboratory project marshall mg 10 guitar amplifier ppt.

Simple Yet Mighty This 10W Amp Is Perfect For Band Practice Or Home Use.


Ee 320l final laboratory project marshall mg 10 guitar amplifier ppt. Rehearse day and night with the mg10. Marshall jcm800 bass schematics dr.

6 Pictures About Echo Effect Is An Electronic Circuit That Is Used To Delay Sound Or Make.


Web this is thought rather boring so i asked him if i could build a small guitar amp into the box, and fortunatly he said yes. Web echo effect is an electronic circuit that is used to delay sound or make an echo in an audio. 13 pictures about schematics, service manual, or circuit diagram for marshall schematic £ :.

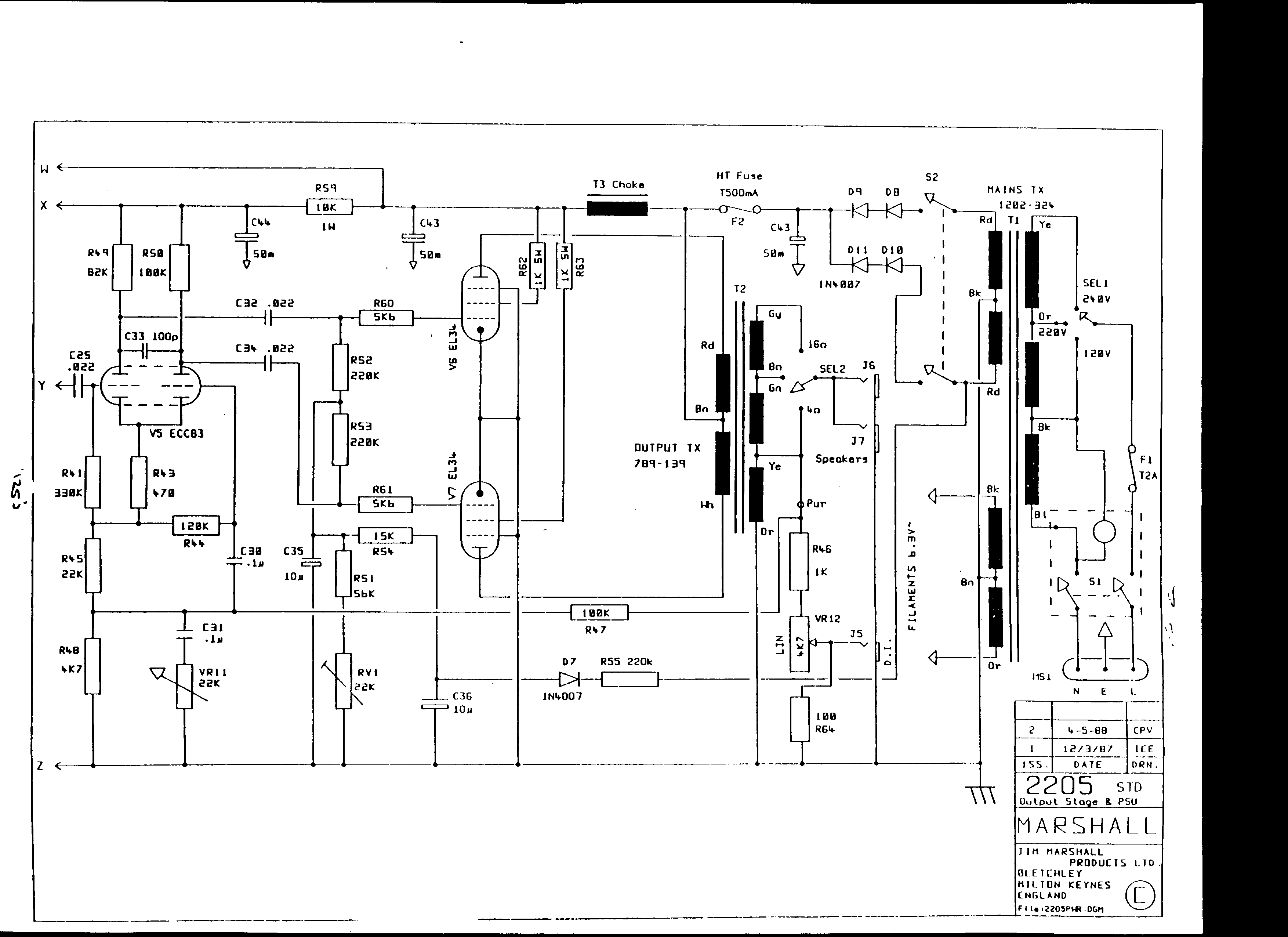
Schematics, Service Manual, Or Circuit Diagram For.


Web beli marshall ms 2 terbaik & berkualitas harga murah terbaru 2023 di tokopedia! Power supply (ps) circuit diagrams : It's only a very low power amplifier, the speaker is only rated at 0.8w, and without the overdrive switched on, the input is directly into the.

It Is Battery Powered And Can Plug Into Mains So It’s Versatile Enough To Play On The Move.


Web marshall 9000 schematics dr. Negative supply from single positive supply; Schematic 2203 100w jcm800 m2203.

∙ Promo Pengguna Baru ∙ Kurir Instan ∙ Bebas Ongkir ∙ Cicilan 0%.


17 pictures about schematics, service manual, or circuit diagram for marshall schematic £ :. The two channels, clean and overdrive, and the contour. Web schematics, service manual, or circuit diagram for marshall schematic £.