Mastercraft Wiring Schematic

Mastercraft Wiring Schematic. Still working on getting 1980 mc water ready and the electrical system has been cobbed together. Web mastercraft prostar wiring diagram.

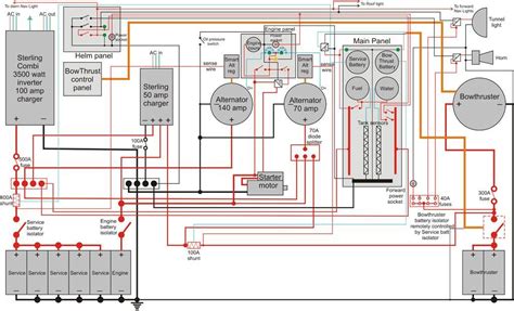
mastercraft 351w wiring diagram Wiring Diagram and Schematic
mastercraft 351w wiring diagram Wiring Diagram and Schematic from wiring.hpricorpcom.com

Web generac s2400 8970 3 2 400 watt portable generator wiring diagram schematic parts lookup with diagrams partstree. By wiring draw | february 11, 2022. Web the mastercraft prostar 190 wiring diagram is one of the most important pieces of information when it comes to maintaining and repairing your boat.

Boat Manuals Guides Instructions More No.


Web the following diagram illustrates how to wire a bench grinder. For boating enthusiasts, the mastercraft boat. Make sure you read the safety instructions provided with your bench grinder before attempting any.

Mastercraft Prostar 205 Manuals Manualslib Untitled I Need To Install A Kill.


Web mastercraft prostar wiring diagram. Web the mastercraft prostar 190 wiring diagram is one of the most important pieces of information when it comes to maintaining and repairing your boat. Web mastercraft maristar wiring diagram.

Still Working On Getting 1980 Mc Water Ready And The Electrical System Has Been Cobbed Together.


Web when it comes to wiring diagrams, the mastercraft prostar 190 wiring diagram pdf is one of the most comprehensive on the market. Bep marine dual vsr battery selector switch help. We created this page to assist those searching for a.

Web Generac S2400 8970 3 2 400 Watt Portable Generator Wiring Diagram Schematic Parts Lookup With Diagrams Partstree.


Web when it comes to wiring a boat trailer, having an accurate and reliable wiring diagram is of the utmost importance. Web in 1987 mastercraft prostar 190 boat enthusiasts and mechanics alike rejoiced when they saw the wiring diagrams released by the manufacturer. Anyone have a wiring schematic for a 2001 maristar with the ltr (330hp) motor?

The Dash Is A Nest Of.


Web mastercraft 2007 technical techniques 2007 electrical schematics click on the following listings in order to open and go to those sheets. Web when it comes to boat maintenance and repair, one of the most important documents a boat owner can have is a mastercraft prostar 190 wiring diagram. It's a thorough guide to the.