Maytag Refrigerator Schematic

Maytag Refrigerator Schematic. Web dependable kitchen & laundry appliances | maytag Maytag rtd1900 manuals manuals and user guides for maytag rtd1900.

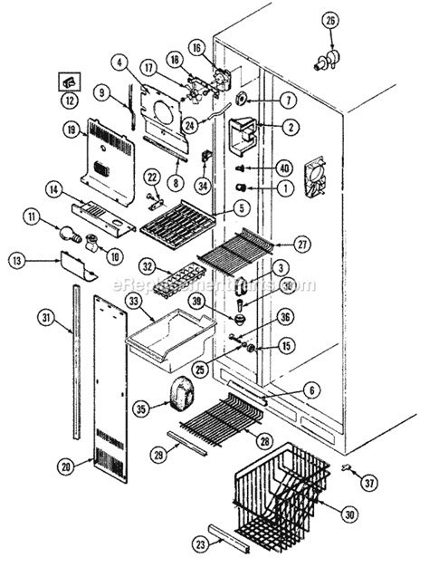
Maytag MSD2656KES sidebyside refrigerator parts Sears PartsDirect
Maytag MSD2656KES sidebyside refrigerator parts Sears PartsDirect from www.searspartsdirect.com

We have 3 maytag rtd1900 manuals available for free pdf download: Sears parts direct has parts, manuals & part diagrams for all types of repair projects to help. Web view online or download maytag m1txegmyw01 user instructions.

Refrigerator An Appliance Or Compartment That Is Artificially Kept Cool And Used To Store Food And Drink.


Web read on to learn more about each one of the unique components of a fridge. Web keep your laundry room or kitchen appliances operating at peak performance levels with durable and dependable replacement parts and accessories from maytag. Sears parts direct has parts, manuals & part diagrams for all types of repair projects to help.

Refrigerator Refrigerator Pdf Manual Download.


We have 3 maytag rtd1900 manuals available for free pdf download: A wiring diagram is a simplified conventional pictorial representation of an electrical circuit. Web ice2o mfi2568aes use and care manual.

Bottom Freezer Refrigerator User Manual.


Maytag mtb2156 manuals manuals and user guides for maytag mtb2156. Web maytag refrigerator wiring diagram. Think of your compressor as the heart of your fridge.

Web Flush The Water System.


Maytag mtb2456 manuals manuals and user guides for maytag mtb2456. Web view online or download maytag m1txegmyw01 user instructions. We have 2 maytag mtb2456 manuals available for free pdf download:

Web Maytag Refrigerators · Maytag Mss25C4Mgz Manual.


Web find the maytag ® refrigerator replacement parts you need, or visit maytag product help for additional support to keep your refrigerator at peak performance. Web view and download maytag refrigerator user manual online. Sears parts direct has parts, manuals & part diagrams for all types of repair projects to help.