Mazda 3 Engine Wiring Harness

Mazda 3 Engine Wiring Harness. This repair can range from a low of $700 to a high of $1,800. Web i'm looking to let go of my gen 1 speed engine wiring harness (it appears to only be missing a single connector near the alternator) for $50 plus shipping.

Mazda 3 Engine harness. Engine Wiring Harness. HARNESS, EMISSION
Mazda 3 Engine harness. Engine Wiring Harness. HARNESS, EMISSION from www.zoomzoomnationparts.com

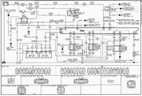
Web get the best deals on mazda car wiring & wiring harnesses when you shop the largest online selection at ebay.com. Web item 2 2011 11 mazda 3 engine bay wire harness wiring 2.4l 54373 2011 11 mazda 3 engine bay wire harness wiring 2.4l 54373. Web mazda motor corporation reserves the right to alter the specifications and contents of this manual without obligation or advance notice.

This Mazda 3 Engine Harness Is A 100% Genuine Oem Replacement.


Web wiring harness for 2016 mazda 3. 500 amp 2m auto car suv emergency jump leads booster cable. That wire will cost $57.00,here is were you can get one.

The Part Itself Will Cost You An Average Of.


Web joined jan 12, 2012. Free shipping on many items | browse your favorite brands. Web mazda 3 service manual:

Web I'm Looking To Let Go Of My Gen 1 Speed Engine Wiring Harness (It Appears To Only Be Missing A Single Connector Near The Alternator) For $50 Plus Shipping.


Fuel injection system & related. Web mazda 3 wiring, cables, connectors. Web 2010 mazda 3 gt 2.5l at engine wiring harness oem.

Web Item 2 2011 11 Mazda 3 Engine Bay Wire Harness Wiring 2.4L 54373 2011 11 Mazda 3 Engine Bay Wire Harness Wiring 2.4L 54373.


Web get the best deals on mazda car wiring & wiring harnesses when you shop the largest online selection at ebay.com. This manual contains circuit wiring diagrams of. Web mazda motor corporation reserves the right to alter the specifications and contents of this manual without obligation or advance notice.

Standard® Techsmart Daytime Running Light Wiring Harness.


#10 · jun 24, 2012. To remove the wiring harness from the clip in the engine room, pry up the hook of the clip using a flathead. Web the average cost to replace an engine harness is $1,100.