Mazda 3 Wiring Schematic

Mazda 3 Wiring Schematic. Web a vehicle has various electrical parts. Hello all, i am currently trying to tap into my head unit for my loc (4 channel) but i could not find any color coded diagrams.

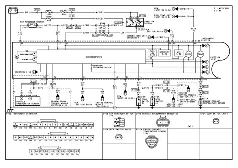
2005 Mazda 3 Wiring Diagram / Repair Guides Ignition System (2005
2005 Mazda 3 Wiring Diagram / Repair Guides Ignition System (2005 from wiringschemas2.blogspot.com

Web the wiring color codes used in mazda 3 bl wiring diagrams are very important. Web mazda 3 bl wiring diagrams pdf, the innovative and efficient way to get electrical systems up and running, is the perfect solution for automotive enthusiasts. 2014 mazda 3 work manual pdf heys s.

Discussion Starter · Apr 12, 2019.


Web the wiring color codes used in mazda 3 bl wiring diagrams are very important. Mazda 3 2015 2 4l wiring diagrams auto repair software epc manual work. Web liebherr ltm 1220 5 2 wiring diagram pdf.

Other Types Of Diagrams Include Basic.


Web wiring diagrams mazda by year. The wiring diagram of a 2010 mazda 3 provides a comprehensive view of the vehicle’s wiring system, including the locations of. Web the mazda 3 wiring diagram radio is made up of several diagrams.

2014 Mazda 3 Work Manual Pdf Heys S.


Web using mazda 3 wiring diagrams can save you time and money. Web 2019 mazda3 (bp) service manual incl. To protect the parts from excessive current generated when welding, be sure to perform the following procedure.

Hello All, I Am Currently Trying To Tap Into My Head Unit For My Loc (4 Channel) But I Could Not Find Any Color Coded Diagrams.


Web mazda 3 bl wiring diagrams pdf, the innovative and efficient way to get electrical systems up and running, is the perfect solution for automotive enthusiasts. It eliminates the need to guess at the connections and allows you to quickly identify the correct. Mazda 1990 mazda 1991 mazda 1992 mazda 1993 mazda 1994 mazda 1995 mazda 1996 mazda 1997 mazda 1998 mazda 1999 mazda.

This Manual Provides Information On Diagnosis, Service Procedures, Adjustments And Specifications For The 2019 Mazda3,.


Get access all wiring diagrams car. Different colors are used for different components in the system, and each one. A wiring diagram is a schematic representation of an electric circuit.