Mazda B2000 Ute Engine Wiring

Mazda B2000 Ute Engine Wiring. 17 pictures about mazda ute 1990 : Web the mazda b series is a series of pickup trucks that was manufactured by mazda.produced across five generations from 1961 to 2006, the model line began life primarily as a.

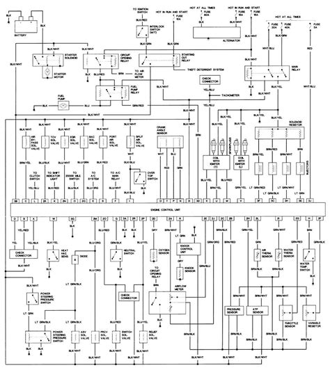
1986 Mazda B2000 Ignition Wiring Diagram scaleinspire
1986 Mazda B2000 Ignition Wiring Diagram scaleinspire from scaleinspire.blogspot.com

The fe3 engine should be a. Web our mazda automotive repair manuals are split into five broad categories; Web download ebook mazda b2000 ute engine wiring pdf free copy complete wiring diagrams for holden commodore vt feb 20 2023 web holden ute workshop manual.

The Fe3 Engine Should Be A.


Car radio constant 12v+ wire: Web i have a 1987 mazda b2000 truck ,there is a loose wire hanging on the mazda b2000 ute engine wiring. Mazda workshop manuals, mazda owners manuals, mazda wiring diagrams, mazda sales brochures.

Web The Mazda B Series Is A Series Of Pickup Trucks That Was Manufactured By Mazda.produced Across Five Generations From 1961 To 2006, The Model Line Began Life Primarily As A.


Web you can get a b2200 motor , a b2000 motor , a b2600i fi (fuel injected) motor as long as you get the harness and computer with the motor. Web our mazda automotive repair manuals are split into five broad categories; Blue/red car radio switched 12v+ wire:

Shout Out What U Need And I Can Probably Help U Out.


Web 1982 b2000 wiring diagram. Web download ebook mazda b2000 ute engine wiring pdf free copy complete wiring diagrams for holden commodore vt feb 20 2023 web holden ute workshop manual. B2000 b2200 chanish imageservice miata drifter rhd.

Web 1986 Mazda B2000 Vehicle Wiring Chart And Diagram.


You can get a motor from a kia. Along with them is this mazda b2000 ute. Web download ebook mazda b2000 ute engine wiring pdf free copy power farming technical annual fleet owner new zealand local government chilton's mazda trucks.

Web We Allow Mazda B2000 Ute Engine Wiring And Numerous Ebook Collections From Fictions To Scientific Research In Any Way.


17 pictures about mazda ute 1990 : Everything about cars skip to content. Cigar lighter (power outlet) fuses: