Mazda B2000 Wiring

Mazda B2000 Wiring. Web ignition wiring diagram mazda b2000 1986. Web mazda b2000 wiring diagram posted on the 05 february 2021 by david mark @ataghan_micheal.

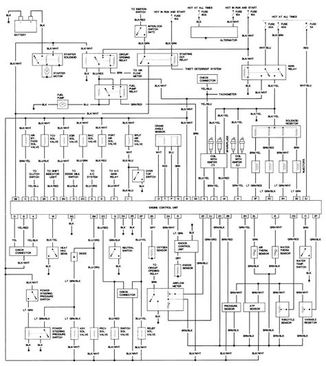
1986 Mazda B2000 Ignition Wiring Diagram scaleinspire
1986 Mazda B2000 Ignition Wiring Diagram scaleinspire from scaleinspire.blogspot.com

None of the lights or fuel pump come on when i turn the key over, but i know the wires aint. They busted up the whole assembly on the steering wheel. Web mazda b2000 wiring diagram posted on the 05 february 2021 by david mark @ataghan_micheal.

Web A Wiring Diagram Shows The Components Of The Electrical System And How They’re Connected.


Web ignition wiring diagram mazda b2000 1986. Everything about cars skip to content. A wiring diagram is a simplified conventional pictorial.

B2200 B2000 1989 Enail Imageservice.


Our 1987 mazda b2000 radio wiring guide shows you how to connect car radio. They busted up the whole assembly on the steering wheel. Web knowing your 1987 mazda b2000 radio wire colors makes it easy to change your car stereo.

· #4 · Aug 6, 2020.


Web 1986 mazda b2000 ignition coil ground wire capacitor. None of the lights or fuel pump come on when i turn the key over, but i know the wires aint. Web 1982 b2000 wiring diagram.

Renault Traffic Cdi125 2016 Pulley Belt Diagram.


Web 1986 mazda b2000 wiring diagram : Web mazda b2000 wiring diagram posted on the 05 february 2021 by david mark @ataghan_micheal. Some jerk tried to steal my 1985 b2000.

It’s A Useful Tool To Identify Problems And Make Repairs.


Web whether you’re an expert mazda b2000 mobile electronics installer, mazda b2000 fanatic, or a novice mazda b2000 enthusiast, an mazda b2000 car stereo wiring diagram is a. Web 1986 mazda b2000 vehicle wiring chart and diagram. 527 views 5 replies 4 participants last post by thetree , oct 27, 2022.