Mazda B2300 Wiring

Mazda B2300 Wiring. Web mazda wiring colors and locations for car alarms, remote starters, car stereos, cruise controls, and mobile navigation systems. Web power distribution power distribution wiring diagram (1 of 2).

Mazda B2300 Wiring Diagram 4K Wallpapers Review
Mazda B2300 Wiring Diagram 4K Wallpapers Review from www.smarts4k.com

Web 1995 mazda b2300 pickup truck car stereo wiring diagram car radio battery constant 12v+ wire: 2003 mazda b2300 toggle switch panel. Web 2003 mazda b2300 chassis wire harness.

Get Your Hands On The Complete Mazda Factory Workshop Software £9.99 Download Now.


Web mazda b series wiring diagrams; Web on average, the cost for a mazda b2300 ignition cable (spark plug wires) replacement is $142 with $47 for parts and $95 for labor. Looking for a free mazda b series haynes / mazda b series chilton manuals?

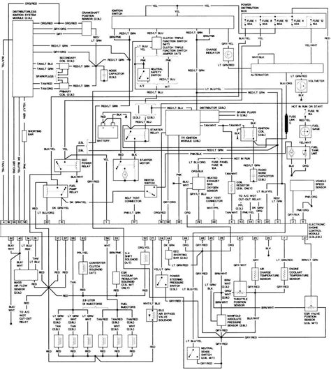
Web Engine Performance 2.3L 2.3L, Engine Performance Wiring Diagram (1 Of 4) 2.3L, Engine Performance Wiring Diagram (2 Of 4) 2.3L, Engine Performance.


2003 mazda b2300 toggle switch panel. Web 1995 mazda b2300 pickup truck car stereo wiring diagram car radio battery constant 12v+ wire: We get a lot of people coming to.

Web Wiring Diagrams Mazda By Year.


Web 2003 mazda b2300 chassis wire harness. Prices may vary depending on your location. Web 1995 mazda b2300 pickup truck car stereo wiring diagram car radio battery constant 12v+ wire:

Green/Purple Car Radio Accessory Switched 12V+ Wire:.


If you do not find the vehicle wiring. Web power distribution power distribution wiring diagram (1 of 2). Green/purple car radio accessory switched 12v+ wire:.

Mazda 1990 Mazda 1991 Mazda 1992 Mazda 1993 Mazda 1994 Mazda 1995 Mazda 1996 Mazda 1997 Mazda 1998 Mazda 1999 Mazda.


Mazda b4000 b3000 b2300 1996 wiring diagram page count: Web mazda wiring colors and locations for car alarms, remote starters, car stereos, cruise controls, and mobile navigation systems.