Mazda F2 Engine Wiring Diagram

Mazda F2 Engine Wiring Diagram. Web select your mazda 2 pdf download from the list below: Mazda 1990 mazda 1991 mazda 1992 mazda 1993 mazda 1994 mazda 1995 mazda 1996 mazda 1997 mazda 1998 mazda 1999 mazda.

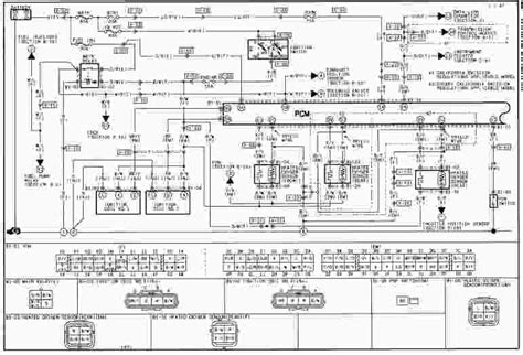
1999 Mazda Miata Radio Wiring Diagram / 1999 Mazda Miata Fuse Box
1999 Mazda Miata Radio Wiring Diagram / 1999 Mazda Miata Fuse Box from jambufoods.blogspot.com

Actual vehicle wiring may vary slightly depending on. Web select your mazda 2 pdf download from the list below: Get your hands on the complete mazda factory.

Mazda Workshop Manuals, Mazda Owners Manuals, Mazda Wiring Diagrams, Mazda Sales Brochures.


Web view and download mazda b2200 1992 workshop manual online. Web i just ordered a complete wiring diagram for the good ol' mazda 6. Web workshop repair and service manuals mazda all models free online.

Mazda 1990 Mazda 1991 Mazda 1992 Mazda 1993 Mazda 1994 Mazda 1995 Mazda 1996 Mazda 1997 Mazda 1998 Mazda 1999 Mazda.


Get your hands on the complete mazda factory. Car service repair manuals and wiring diagrams. Web free download 1999 ford ranger / mazda drifter repair manual + wiring diagrams (pdfs free online).

I Have A 2003 Onyx Black, With 19 Konigs On It With A 3000 Watt System.


Web our mazda automotive repair manuals are split into five broad categories; B2200 1992 automobile pdf manual download. Home < lincoln workshop manuals.

Web Wiring Diagrams Mazda By Year.


Web select your mazda 2 pdf download from the list below: Actual vehicle wiring may vary slightly depending on.