Mazda F6 Engine Wiring Harness. Mazda 6 trailer wire harness and connector. Each color corresponds to a specific.

Web discussion starter · jul 16, 2007. Help, what is this wire? For the 6 but all i can find is the workshop manuals.
Mazda F6 Engine Wiring Harness. Mazda 6 trailer wire harness and connector. Each color corresponds to a specific.

Web discussion starter · jul 16, 2007. Help, what is this wire? For the 6 but all i can find is the workshop manuals.
Mazda 6 trailer wire harness and connector. Mazda 6 stereo wiring harness. Web wiring harness for 2016 mazda 3.
I was looking for the real wiring diagrams. Ten years later.the wife and i are cleaning the garage and it seems that my store of mazda parts have grown beyond a single. 10 pics about 2014 mazda 3 engine wiring harness | ebay :
2014 mazda 3 engine wiring harness | ebay, mazda 6 wiring. Web skyactiv mazda disassembly assembly engine harness remove manual service emission. Web then the wiring harness arrived.
Mazda 6 headlight wire harness. Mazda 6 trailer brake control harness. Free shipping on many items | browse your favorite brands.
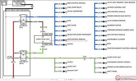
Web get the best deals on mazda car wiring & wiring harnesses when you shop the largest online selection at ebay.com. Help, what is this wire? Web the wiring harness color code system was developed to make it easy to identify wires and their respective components.