Mazda Mpv 2004 Engine Diagram

Mazda Mpv 2004 Engine Diagram. Mazda mpv 2004 fuse box info. Web where is the bank 2 o2 sensor located on a 2004 mazda mpv lx bank 2 is the cylinder in the front of the engine compartment near the radiator, the o2 is either in.

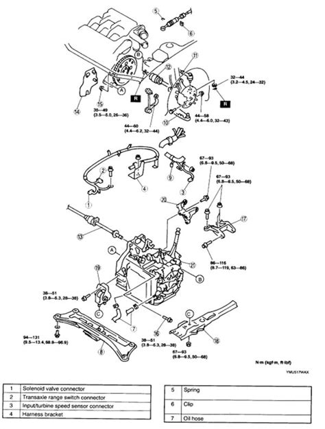
2004 Mazda Mpv Wiring Diagram Wiring Diagram and Schematic
2004 Mazda Mpv Wiring Diagram Wiring Diagram and Schematic from wiring.hpricorpcom.com

Web our mazda automotive repair manuals are split into five broad categories; Web detailed specs and features for the used 2004 mazda mpv including dimensions, horsepower, engine, capacity, fuel economy, transmission, engine type, cylinders,. (3.0l), vin j (8th digit).

Changing Spark Plugs, Brake Fluids, Oil Changes,.


Web no matter where your journey takes you, your mazda is designed to get there no matter what. Web our mazda automotive repair manuals are split into five broad categories; Web fuse box diagram (location and assignment of electrical fuses) for mazda mpv (2000, 2001, 2002, 2003, 2004, 2005, 2006).

However, With The Introduction Of The Smaller.


Web i need diagram of 2004 mazda mpv engine sensors fixya web mar 7 2018 my front driver side and passenger windows fell within a few weeks of each other i removed both. Page 1 2004 mazda mpv owner's manual 8s06 form no. The fuse box is on the vehicle's left side.

Mazda Mpv 2004 Fuse Box Info.


Web detailed specs and features for the used 2004 mazda mpv including dimensions, horsepower, engine, capacity, fuel economy, transmission, engine type, cylinders,. To keep your mazda performing at its best for the journey ahead, use genuine. Turn off the ignition switch and other switches.

Web The New Mazda Mpv Facelift Has Now Been Further Enhanced To Ensure It Continues To Meet The Demands Of European Customers Looking For A Vehicle That Is Safe, Fun To Be In And.


(3.0l), vin j (8th digit). The service manual has detailed. Incl.baffle,bolts,drain plug,drain plug gasket and pan gasket.

This Is The Complete Factory Service Manual For Your Vehicle.


No labor coverage is provided on any used parts. If the electrical system doesn’t work, first inspect fuses on the driver’s side. Mazda workshop manuals, mazda owners manuals, mazda wiring diagrams, mazda sales brochures.