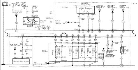
Mazda Protege Headlight Wiring

Mazda Protege Headlight Wiring. Web air conditioning a/c wiring diagram for mazda protege 1994 heater wiring diagram for mazda protege 1994body computer central processing unit. Web searching for an aftermarket mazda protege headlight wiring harness?

How to remove and replace 2002 mazda protege lx headlights assembly? it
How to remove and replace 2002 mazda protege lx headlights assembly? it from www.justanswer.com

Free same day store pickup. Web air conditioning a/c wiring diagram for mazda protege 1994 heater wiring diagram for mazda protege 1994body computer central processing unit. The grounds will be on both.

Get Your Hands On The Complete Mazda Factory Workshop Software £9.99 Download Now.


Web air conditioning manual a/c wiring diagram (1 of 2) for mazda protege5 2003 manual a/c wiring diagram (2 of 2) for mazda protege5 2003anti. Web 1592081 driver side headlight, halogen. Web order mazda protege headlight wire harness online today.

Table 1 Shows The 16 Most Common Electrical System Problems.


Free same day store pickup. Links to forum posts will appear in a new. Find aftermarket and oem parts online or at a local store near you.

Web Check Ground Wires From Headlight Wiring Harness To Core Support Black Wires Should Be Attached To Core Support With 5/16 Head Sheet Metal Screws.


Web mazda protege owners have reported 36 electrical system related problems since 1996. Web searching for an aftermarket mazda protege headlight wiring harness? Standard® intermotor computer control relay.

Web Low Prices On High & Low Headlight Wire Kit For Your Mazda Protege At Advance Auto Parts.


Web mazda protege wiring, cables, connectors. Check out free battery charging and engine diagnostic testing while you are in store. The grounds will be on both.

121107 Driver And Passenger Side Headlight, With Bulb (S) Part No:


Web air conditioning a/c wiring diagram for mazda protege 1994 heater wiring diagram for mazda protege 1994body computer central processing unit. Tns relay triggers when you turn parking light on. Tns is name of wire system that related to parking, tail light, interior illumination switching.