Mcneilus Mac Valve Wiring Schematic

Mcneilus Mac Valve Wiring Schematic. Web mcneilus front loaders are built to take care of business, whether it’s demanding commercial routes or dense residential neighborhoods. In ladder diagrams, the wires connecting the.

️Mcneilus Refuse Wiring Diagram Free Download Gmbar.co
️Mcneilus Refuse Wiring Diagram Free Download Gmbar.co from gmbar.co

Valve mac wiring diagram ebc kit solenoid boost electronic hardware control. Mac@macvalves.com valves that don't stick ©2022 macvalves inc. Web list of ebooks and manuels about mcneilus wiring schematic.

Web Diagram Wiring Valve Mac Evo Usdm Ix Fail Safe Evo9 Info.


In ladder diagrams, the wires connecting the. Web list of ebooks and manuels about mcneilus wiring schematic. Has worked to establish and maintain global technological leadership in the design and manufacture of pneumatic and fluid valves, proportional.

Diagram Drilling Control Valve Choke Manifold Cameron Wiring Iron Works.


Mcalear temperature control valve no. Mac’s innovative technology featuring our. 9 images about 30 mac valve wiring.

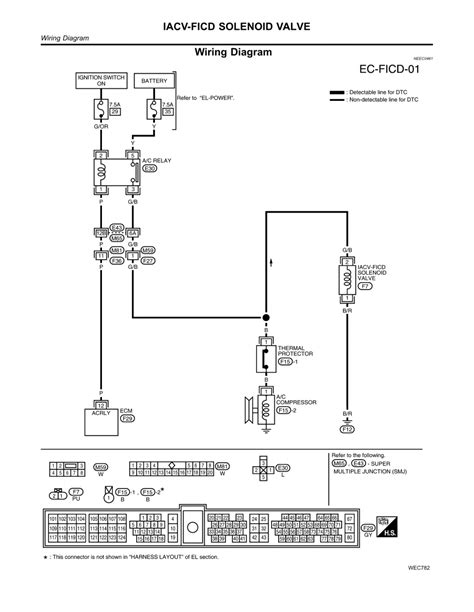
Mac Solenoid Valve Circuit Bar Assembly Mcneilus Mac Valve Wiring Schematic.


Web we have 1 mcneilus atlantic series manual available for free pdf download: Download refuse catalogs to request a paper copy or cd of any catalog call: Web for over 70 years mac valves, inc.

Valve Mac Wiring Diagram Ebc Kit Solenoid Boost Electronic Hardware Control.


Web mcneilus truck and manufacturing refuse parts site. Zero radius™ side loader brochure. Web mcneilus front loaders are built to take care of business, whether it’s demanding commercial routes or dense residential neighborhoods.

Web Mcneilus Is Not Affiliated With Or Authorized By Any Of Those Manufacturers But Provides Replacement Parts That Are Designed To Fit With Equipment From These Other.


Web wires 21570932 | wiring harness | mack truck parts class8truckparts.com. Web mac control valve wiring diagram. We offer a range of vehicle.