Mazda Wl Engine Wiring Harness

Mazda Wl Engine Wiring Harness. Web get the best deals on wiring harnesses,. For gps speedometers warranty :

BRAND NEW OEM ENGINE WIRING HARNESS 2.3L 200608 MAZDA 6 W/ MANUAL
BRAND NEW OEM ENGINE WIRING HARNESS 2.3L 200608 MAZDA 6 W/ MANUAL from www.ebay.com

2014 mazda 6 wiring harnes cl. Web the cost of engine wiring harness repair. Need engine harness wiring diagram for 2001 chevy truck v8.

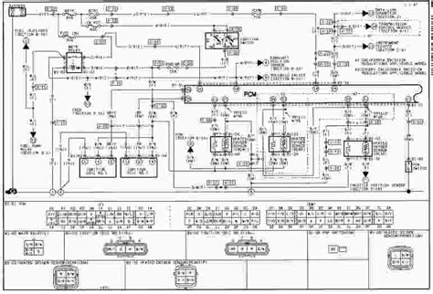
Mazda Workshop Manuals, Mazda Owners Manuals, Mazda Wiring Diagrams, Mazda Sales Brochures.


Web get the best deals on mazda car wiring & wiring harnesses when you shop the largest online selection at ebay.com. Web mazda 6 wiring diagram. Black indicates a ground wire, while white typically.

Web Our Mazda Automotive Repair Manuals Are Split Into Five Broad Categories;


Free shipping on many items. Web the cost of engine wiring harness repair. 2014 mazda 6 wiring harnes cl.

Need Engine Harness Wiring Diagram For 2001 Chevy Truck V8.


Am looking for injector pump for mazda titan dash, wl engine type,. The cost of repairing your engine wiring harness will depend on the extent of the damage and the specific component of the. Powers up to (2) lp9 sports light warranty :

Web Get The Best Deals On Mazda Car & Truck Wiring Harnesses, Cables & Connectors When You Shop The Largest Online Selection At Ebay.com.


Check out free battery charging and engine diagnostic testing while you are in store. Once upon a time i was having an electrical problem. Web get the best deals on wiring harnesses,.

Web So The Main Engine Harness That Plugges Into The Engine Compartment Fuse Box The Green Wire And Bigger Red With Yellow Stripe That Are Closed To The Firewall Has.


I took it to the stealership who told me that i needed a new wiring harness and it wasn't going to. Web free same day store pickup. Web mazda engine wiring harness disconnect removal replacement engine check out our website: